金刚石滚压刀:

SAVANTEC 塞万特品牌介绍
SAVANTEC品牌创建于2010年,专注于孔加工刀具。常年致力于为客户提供最经济、高效的孔加工解决方案,所提供刀具服务涉及汽车、能源、高铁等行业。SAVANTEC通过不断的技术创新、设计研发、加工实践来提升产品的质量和使用性能,从客户体验出发满足客户的需求。
SAVANTEC目前主要为客户提供的产品有:SAVANTEC镜面滚压刀、SAVANTEC快速U钻(U钻)系统、SAVANTEC正反去毛刺倒角刀、SAVANTEC偏心反刮刀、SAVANTEC刀柄系统(主要有浮动铰刀刀柄、微量补偿攻丝刀柄)
SAVANTEC将秉承持续创新、诚信为本的品牌文化,设计、开发出更多产品供客户选择。
SAVANTEC将为提高客户的产品质量、生产效率及降低生产成本而不懈努力。
愿我们共同携手创造美好明天!
固定金刚石滚压刀


单位:mm
型号 | 库存情况 | L | L1 | L2 | D | D1 | D2 | D3 | D4 |
DIA45︒-R1.5-20*20 | ● | 145.2 | 120 | 100 | 20 | 20 | 45.5 | 35 | 15 |
DIA45︒-R1.5-25*25 | ● | 150.2 | 125 | 100 | 25 | 25 | 50.5 | 40 | 15 |
DIA45︒-R1.5-32*32 | ○ | 157.2 | 132 | 100 | 32 | 32 | 50.5 | 47 | 15 |
DIA45︒-R1.5-40*40 | ○ | 165.2 | 140 | 100 | 40 | 40 | 50.5 | 55 | 15 |
●常备库存 ○接订单生产
可转向金刚石滚压刀


单位:mm
型号 | 库存情况 | L | L1 | L2 | D | D1 | D2 | D3 | D4 |
DIA-TU180-R1.0-12*12 | ● | 148.1 | 100 | 12 | 34 | 39.3 | 12 | ||
DIA-TU180-R1.0-16*16 | ● | 148.1 | 100 | 16 | 34 | 39.3 | 16 | ||
DIA-TU180-R1.0-20*20 | ● | 137.8 | 47.6 | 90.2 | 20 | 34.8 | 14.9 | 40.9 | 20 |
DIA-TU180-R1.0-25*25 | ● | 137.8 | 47.6 | 90.2 | 25 | 34.8 | 12.4 | 40.9 | 25 |
DIA-TU180-R1.0-32*32 | ○ | 199.6 | 47.6 | 152 | 32 | 8.4 | 46.1 | 32 | |
DIA-TU180-R1.0-40*40 | ○ | 347.6 | 47.6 | 300 | 40 | 54.1 | 40 |
●常备库存 ○接订单生产
内孔可转向金刚石滚压刀


单位:mm
型号 | 库存情况 | L | L1 | D | D1 | D2 |
DIA-IN-TU180-R1.0-ZB32 | ● | 308.88 | 300 | 32 | 41.84 | 16 |
●常备库存 ○接订单生产
小直径内孔金刚石滚压刀


单位:mm
型号 | 库存状态 | L | L1 | L2 | L3 | L4 | D | D1 | D2 | D3 | R |
DIA50︒-IN-R1.0-ZB25 | ● | 222.6 | 148 | 156 | 73 | 55.5 | 25 | 12.2 | 14.5 | 8.5 | 1.0 |
●常备库存 ○接订单生产
内孔金刚石滚压刀


单位:mm
型号 | 库存状态 | L | L1 | L2 | L3 | L4 | D | D1 | D2 | R | 角度 |
DIA50︒-IN-R1.0-ZB25 | ● | 222.6 | 148 | 156 | 73 | 60.5 | 25 | 23.4 | 26.5 | 1.0 | 14︒ |
●常备库存 ○接订单生产
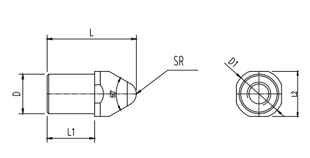
金刚石滚压刀刀头


单位:mm
型号 | 库存情况 | L | L1 | L2 | L3 | D | D1 | D2 | D3 | R |
XP-VR1.0-SUR | ● | 12 | 6 | 0.7 | 2.05 | 5 | M3 | 6.15 | 5.8 | 1.0 |
XP-VR1.5-SUR | ● | 11.3 | 6 | 0.7 | 2.3 | 5 | M3 | 6.15 | 5.7 | 1.5 |
XP-VR1.0-SUR | ● | 10.6 | 6 | 0.7 | 2.55 | 5 | M3 | 6.15 | 5.6 | 2.0 |
●常备库存 ○接订单生产
SAVANTEC金刚石(钻石)滚压刀在车床上使,用可滚压外圆、内孔(大于一定直径)、端面等。除内孔外不受直径大小限制,适用性广。
刀具原理:
在显微镜下工件在切削的过程中刀具刀尖会在表面残留像台阶一样的走刀痕迹,钻石在弹簧力的作用下在工件表面上滑动过程中克服材料的屈服点,使材料表面产生塑性变形,强迫走刀痕迹的最高点流入到最低点,从而得到一个光滑平整的镜面。材料在滚光的过程中由于塑性变形会产生硬化处理,从而提高工件表面的疲劳强度。
金刚石滚压刀特点:
1、 可转向金刚石(钻石)滚压刀设计精巧,左右手可用。
2、 可转向金刚石(钻石)滚压刀头部可旋转,正负90°可调,满足大部分滚压角度加工。
3、 滚光后工件表面粗糙度可小于Ra0.08;(和前道工序有关系)
4、 寿命长,通过旋转金刚石(钻石)可多个点挤压使用。
5、 金刚石(钻石)滚压刀可挤压硬度达HRC60的材料。


刀具选型及加工参数
加工参数 | |
切削速度Vc | 100-200m/min |
进给f | 0.005-0.02mm |
过盈量 | 0.01-0.5mm |
刀具规格 | |
方刀柄 | 12/16/25/32mm等 |
圆柄 | D25/32/50mm等 |
金刚石头半径R | 1.0/1.5/2.0mm |
滚压角度 | ±90°可调 |
左右手形式 | 走右手可调 |
以下为滚压加工的原理及使用知识介绍,您可选择跳过。
滚压是一种无切削的塑性加工方法,滚压刀(滚压头)由高硬度的滚柱滚压金属表面,使其产生塑性流动,填入凹谷中,使金属表面粗糙度值降低(提高光洁度),并使表层组织冷硬化和晶粒变细,形成致密的纤维状,并形成残余应力层,使硬度和强度增强,从而提高金属表面的耐磨性、耐腐蚀性和抗疲劳强度。

1, 预留滚压量的金属表面,滚压工具一次精压可使表面粗糙度从Ra3.2μm左右降至0.4-0.04之间。
2,具有微调装置(只适用于内孔和外径滚压刀),在合适的滚压余量内,尺寸可控制在0.0025mm内,微调范围可达0.5mm左右。
3,提高效率,降低成本。滚压加工耗时是磨削加工的1/10——1/20,工具装夹在任何旋转与进给设备上都能使用(如:车、铣、钻、镗床、数控车床、加工中心等)。工具操作简单(无需培训专业技术人员),并可长期使用,只需更换转动部位配件,维修费用低。
4,滚压加工后的产品表面硬度可提高HV40左右,同时疲劳强度也可增加30%左右,使产品的使用寿命和性能得到提升。
5,滚柱滚压只适用于HRC40以内的金属加工,钻石滚压(金刚石滚压)可以加工硬度至HRC65的工件。
6,加工时须冷却润滑,用低粘度油性工作液。理论上无润滑的情况也可加工,但考虑到会影响工具的寿命和产品的表面光洁度,推荐使用润滑液。(在数控机床上使用加油性切削液;在普通机床上加工钢件时使用机油加柴油,加工铝件使用机油加煤油,按比率3:7混合;铜件可用缝纫机油或32#变压器油)
滚压工具使用常用知识:
1、什么是滚压头(滚压刀、滚压工具)?精度能控制到多少?
滚压加工的原理是用高硬度光滑的滚针将金属表面凸起部分碾平而使凹陷的部分隆起,加工成平滑如镜的表面,这与切削不同,是一种塑性加工。在短时间内改善表面粗糙度的同时表面被加工硬化,并且由于产生压缩残留应力得到具有耐磨性的表面。
在合理的滚压余量范围内,尺寸精度可控制在0.0025mm以内。
2、滚压头加工与其它加工表面的方法相比有什么优势?
滚压与其它的加工方法相比具有生产效率高、操作简单方便、加工后的工件表面粗糙度、表面硬度、耐磨性都得到提高。
3、滚压工具用在什么机床上使用?加工条件是什么?
可在普通车、钻、镗、铣、加工中心等机床上使用,装夹方便。加工时刀具和工件只需要其中一个转动和进给就可以。
滚压刀具加工的工件硬度在HRC40以内,滚压前工件表面的刀纹要疏松、均匀,不能太深,最好是采用车床或镗床等点切销加工方式加工成有规则的表面形状。如钻削加工等得到的不规则加工面,滚压后不能将凸起部分完全填埋到凹陷部分,得不到良好的表面效果。
4、刀具磨损后,零部件的更换
如果刀具的零部件磨损,在不能修磨的情况下,已经不能使用了,如滚针、芯轴、保持套等等。我们都有配套的零件更换,更换方便。注意滚针要成套更换。
5、滚压加工时需要工作液吗?
滚压加工时须用低粘度工作液,并经常清洗滚压头,在数控车床上使用时用油性切销液,在钻床、普车等机床上使用时钢件采用机油+柴油,铝件采用机油+煤油比例为3:7混合,铜件采用32#变压器油也可采用缝纫机油。
理论上在无润滑的情况下也可以加工,但会影响到工具的使用寿命和加工表面粗糙度,所以推荐使用工作液。
English